صُممت أنظمة مقومات ESB بجهد 48 فولت تيار مستمر 200 أمبير خصيصًا لمشروع تحديث نظام محطة اتصالات أساسية في أمريكا الجنوبية. توفر هذه الأنظمة المتينة الطاقة الأساسية للمعدات داخل المحطات، مما يضمن تشغيلًا متواصلًا حتى في الظروف الصعبة، مما يعزز استقرار خدمات الاتصالات.
نظرة عامة على النظام
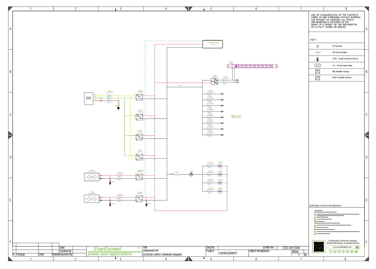
صُممت أنظمة مقومات الاتصالات من سلسلة ESB المُخصصة بناءً على مفهوم "نظام طاقة متكامل متعدد الوظائف لمحطة القاعدة". ويشمل النظام وحدة مقوم، ووحدة MPPT الشمسية، وعاكسًا، وبطارية ليثيوم، ووحدة مراقبة، ووحدة توزيع الطاقة (PDU)، وخزانة محطة القاعدة، في منصة واحدة.
| المواصفات العامة | المواصفات العامة | |
| نموذج | ESB48VDC200A |
|
| درجة حرارة التشغيل | من -10 درجة مئوية إلى +45 درجة مئوية | |
| درجة حرارة التخزين | -25 درجة مئوية ~ 70 درجة مئوية (باستثناء البطاريات) | |
| الرطوبة النسبية | 5%~95% رطوبة نسبية (لا يوجد تكاثف للرطوبة) | |
| ارتفاع | 2000 متر كحد أقصى دون خفض التصنيف | |
| مروحة التبريد | 21 واط*2 | |
| تصنيف IP | IP20 | |
| البعد (مم) | عرض 600*عمق 900*ارتفاع 2000 | |
تسليط الضوء على التصميم
الكل في واحد: تتميز الخزانة بتكاملها العالي، وهي مناسبة بشكل خاص لاحتياجات شبكات الاتصالات التي تتطلب سرعة النشر وكفاءة التشغيل ومرونة التوسع.
تصميم مراقبة قاطع الدائرة: يدمج آليات حماية متعددة (الحمل الزائد، قصر الدائرة، انخفاض الجهد) لمراقبة حالة قاطع الدائرة ومعامِلاته آنيًا. يدعم الإدارة عن بُعد للكشف المبكر عن أي أعطال محتملة.
تصميم توزيع الطاقة المتعددة: يجمع بين طاقة التيار المستمر، وبطارية ثنائية الاتجاه، وتوزيع الطاقة الكهروضوئية، وجميعها مزودة بحماية من زيادة التيار. يتضمن توزيع التيار المستمر تقنية BLVD لمنع تفريغ البطارية الزائد، مما يطيل عمرها.
تصميم الوحدة القابلة للتبديل السريع: تدعم وحدات 1U القابلة للتبديل السريع التبديل السريع عبر الإنترنت، مما يضمن إمدادًا مستمرًا بالطاقة للبطارية والحمل. تتميز الوحدات بمشاركة ذكية للتيار، ونسخ احتياطي احتياطي، وضبط مرن لطاقة الخرج.
نظام المراقبة المركزية: يدعم نظام مراقبة FSU المدمج بهندسة B/S الوصول إلى الشبكة. يراقب مركزيًا وحدات المقوم، ووحدات MPPT الكهروضوئية، والعاكسات، وبطاريات الليثيوم، مما يوفر واجهة مستخدم غنية وتجربة تفاعلية.
تصميم حماية من زيادة الجهد: مجهزة بـ AC SPD و PV SPD و DC SPD (حماية من زيادة التيار)، مع صمامات قابلة للتبديل السريع لسهولة الاستبدال، وحماية المعدات بشكل فعال من الصواعق والتردد الطارئ للطاقة الذي يزيد عن الجهد.
مسح ضوئي إلى WeChat:everexceed
